Главная > Подшипники> Роликовые > Игольчатые>FWF-142012-E

FWF-142012-E — Игольчатый роликоподшипник, импортное производство по ISO стандарту номер основного исполнения .
Производитель: NSK.
Е = Увеличенная грузоподъемность.
Цена по запросу
Цена на подшипник зависит от:
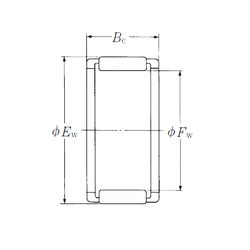
Габаритные размеры
Размеры и геометрические характеристики
Нагрузка и ресурс
Защита
Присоединительные размеры
Конструкция и исполнение
Игольчатый роликоподшипник FWF-142012 (NSK)
Игольчатый роликоподшипник FWF-142017 (NSK)
Подшипник игольчатый радиальный K14X20X10BE (KOYO, TIMKEN)
Роликовый игольчатый подшипник K14X19X18F (KOYO, TIMKEN)
Подшипник игольчатый радиальный K14X20X12BE (KOYO, TIMKEN)
Подшипник игольчатый радиальный KT 142012 (IKO)