Главная > Подшипники> Шариковые> Радиальные>F693HZZ

F693HZZ — Подшипник шариковый из нержавеющей стали, импортное производство по ISO стандарту, размер 3x8x4 номер основного исполнения 693.
Производитель: AST.
ZZ = Два металлических экрана.
Цена от:42 р.
Цена на подшипник зависит от:
| Обозначение | Модификация |
|---|---|
| 693 | Основное конструктивное исполнение. |
| S693 | |
| 693H | H = высокая, узкая каретка для двухрядного шарикоподшипника и направляющей в сборе. |
| F-693 | |
| F693H | H = высокая, узкая каретка для двухрядного шарикоподшипника и направляющей в сборе. |
| FL693 | |
| SF693 | |
| W693Z | Металлический экран с одной стороны. |
| F693ZZ | ZZ = Два металлических экрана. |
| W693ZZ | ZZ = Два металлических экрана. |
| 693 ZZ | ZZ = Два металлических экрана. |
| F-FL693 | |
| F693-2Z | 2Z = Металлические шайбы с каждой стороны подшипника. |
| FL693ZZ | ZZ = Два металлических экрана. |
| FLW693Z | Металлический экран с одной стороны. |
| S693-2Z | 2Z = Металлические шайбы с каждой стороны подшипника. |
| WF693ZZ | Радиальный шарикоподшипник из нержавеющей стали с упорным бортом на наружном кольце. ZZ = Два металлических экрана. |
| 693/1BZ | B = однокомпонентное ребристое внутреннее кольцо. |
| 693H-2RS | Резиновые уплотнения с каждой стороны подшипника. |
| F-W693ZZ | ZZ = Два металлических экрана. |
| SF693-2Z | 2Z = Металлические шайбы с каждой стороны подшипника. |
| F-W693ZZS | ZZ = Два металлических экрана. |
| F693H-2RS | Резиновые уплотнения с каждой стороны подшипника. |
| WFN693 ZZ | ZZ = Два металлических экрана. |
| F-FLW693ZZ | ZZ = Два металлических экрана. |
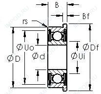
Габаритные размеры
Размеры и геометрические характеристики
Нагрузка и ресурс
Присоединительные размеры
Конструкция и исполнение
Прочие характеристики
Подшипник шариковый радиальный однорядный с одной защитной шайбой 3060093
Подшипник шариковый радиальный однорядный с двумя защитными шайбами 3080093
Подшипник шариковый радиальный однорядный с упорным бортом на наружном кольце и одной защитной шайбой 3860093
Подшипник шариковый радиальный однорядный с упорным бортом на наружном кольце и двумя защитными шайбами 3880093
Подшипник шариковый радиальный 62-3080093 ЮТС21
Подшипник шариковый радиальный 619/3-2RS (CX, ISO)