Главная > Подшипники> Шариковые> Радиальные>F69/2.5

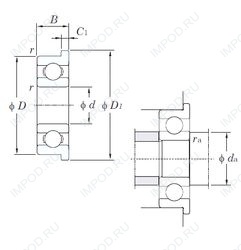
F69/2.5 — Радиальный шарикоподшипник, импортное производство по ISO стандарту, размер 2x7x2 номер основного исполнения .
Производитель: KOYO.
Цена по запросу
Цена на подшипник зависит от:
Габаритные размеры
Размеры и геометрические характеристики
Нагрузка и ресурс
Защита
Коэффициенты для расчета
Присоединительные размеры
Конструкция и исполнение
Подшипник шариковый радиальный однорядный 100009/2.5
Подшипник шариковый радиальный однорядный с одной защитной шайбой 106009/2.5
Подшипник шариковый радиальный однорядный с двумя защитными шайбами 108009/2.5
Подшипник для корпуса 12
Подшипник шариковый радиальный однорядный с упорным бортом на наружном кольце и двумя защитными шайбами 188009/2.5
Подшипник шариковый радиальный однорядный с упорным бортом на наружном кольце и одной защитной шайбой 186009/2.5