Главная > Подшипники> Шариковые> Радиальные>F683H-TT

F683H-TT — импортное производство по ISO стандарту, размер 3x7x3 номер основного исполнения 683.
Производитель: AST.
T = Механически обработанный сепаратор из текстолита, центрируемый по телам качения.
Цена от:36 р.
Цена на подшипник зависит от:
| Обозначение | Модификация |
|---|---|
| 683 | Основное конструктивное исполнение. |
| 683Z | Металлический экран с одной стороны. |
| 683H | H = высокая, узкая каретка для двухрядного шарикоподшипника и направляющей в сборе. |
| S683 | |
| 683ZZ | ZZ = Два металлических экрана. |
| F-683 | |
| F683A | A = внутренняя модификация конструкции. |
| F683H | H = высокая, узкая каретка для двухрядного шарикоподшипника и направляющей в сборе. |
| FL683 | |
| SF683 | |
| 683 A | A = внутренняя модификация конструкции. |
| 683HZZ | ZZ = Два металлических экрана. |
| 683ZZA | ZZ = Два металлических экрана. |
| F683ZZ | ZZ = Два металлических экрана. |
| W683ZZ | ZZ = Два металлических экрана. |
| W683ZA | A = внутренняя модификация конструкции. |
| 683H-TT | T = Механически обработанный сепаратор из текстолита, центрируемый по телам качения. |
| F683-2Z | 2Z = Металлические шайбы с каждой стороны подшипника. |
| F683AZZ | A = внутренняя модификация конструкции. ZZ = Закрыт с двух сторон металлическими шайбами. |
| F683HZZ | ZZ = Два металлических экрана. |
| S683-2Z | 2Z = Металлические шайбы с каждой стороны подшипника. |
| WF683ZZ | Радиальный шарикоподшипник из нержавеющей стали с упорным бортом на наружном кольце. ZZ = Два металлических экрана. |
| 683-2TS | S = смазочный паз и три отверстия в наружном кольце подшипника. |
| 683 AZZ | A = внутренняя модификация конструкции. ZZ = Закрыт с двух сторон металлическими шайбами. |
| F-W683ZZ | ZZ = Два металлических экрана. |
| FL683ZZA | ZZ = Два металлических экрана. |
| FLW683ZA | A = внутренняя модификация конструкции. |
| S683-2TS | S = смазочный паз и три отверстия в наружном кольце подшипника. |
| SF683-2Z | 2Z = Металлические шайбы с каждой стороны подшипника. |
| WFN683 ZZ | ZZ = Два металлических экрана. |
| F-FLW683ZZ | ZZ = Два металлических экрана. |
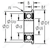
Габаритные размеры
Размеры и геометрические характеристики
Нагрузка и ресурс
Присоединительные размеры
Конструкция и исполнение
Прочие характеристики
Подшипник шариковый радиальный однорядный с одной защитной шайбой 3060083
Подшипник шариковый радиальный однорядный с двумя защитными шайбами 3080083
Подшипник шариковый радиальный однорядный с упорным бортом на наружном кольце и одной защитной шайбой 3860083
Подшипник шариковый радиальный однорядный с упорным бортом на наружном кольце и двумя защитными шайбами 3880083
Подшипник шариковый радиальный 3860083 ЮТ
Подшипник шариковый радиальный 4-3860083