Главная > Подшипники> Шариковые> Радиальные>F625H-2RS

F625H-2RS — импортное производство по ISO стандарту, размер 5x16x5 номер основного исполнения 625.
Производитель: AST.
Резиновые уплотнения с каждой стороны подшипника.
Цена от:39 р.
Цена на подшипник зависит от:
| Обозначение | Модификация |
|---|---|
| 625 | Основное конструктивное исполнение. |
| 625H | H = высокая, узкая каретка для двухрядного шарикоподшипника и направляющей в сборе. |
| W625 | |
| F625 | |
| S625 | |
| 625-Z | Металлический экран с одной стороны. |
| SF625 | |
| 625EE | Е = Увеличенная грузоподъемность. |
| F625H | H = высокая, узкая каретка для двухрядного шарикоподшипника и направляющей в сборе. |
| FL625 | |
| NC625 | |
| 625 DD | DD = резиновые уплотнения на каждой стороне подшипника. |
| 625-RS | R = Наружное кольцо с фланцем . |
| 625LLU | LLU = Резиновые уплотнения на каждой стороне подшипника. |
| 625LLB | LLB = Уплотнение из синтетического каучука бесконтактного типа. |
| SS 625 | |
| 625HZZ | ZZ = Два металлических экрана. |
| F625VV | V = Увеличенная грузоподъемность, внутренняя модификация конструкции. |
| F625DD | DD = резиновые уплотнения на каждой стороне подшипника. |
| 625 2Z | 2Z = Металлические шайбы с каждой стороны подшипника. |
| 625 VV | V = Увеличенная грузоподъемность, внутренняя модификация конструкции. |
| 625 ZZ | ZZ = Два металлических экрана. |
| FL625Z | Металлический экран с одной стороны. |
| 625-2RD | R = Наружное кольцо с фланцем . |
| 625-2RU | Манжетное бесконтактное уплотнение с обеих сторон. |
| W 625 R | R = Наружное кольцо с фланцем . |
| W625-2Z | 2Z = Металлические шайбы с каждой стороны подшипника. |
| F-625ZZ | ZZ = Два металлических экрана. |
| F625-2Z | 2Z = Металлические шайбы с каждой стороны подшипника. |
| F625HZZ | ZZ = Два металлических экрана. |
| F625ZZ1 | ZZ = Два металлических экрана. |
| 625 ZZ1 | ZZ = Два металлических экрана. |
| 625-2RS | Резиновые уплотнения с каждой стороны подшипника. |
| S625-2Z | 2Z = Металлические шайбы с каждой стороны подшипника. |
| SF625-2Z | 2Z = Металлические шайбы с каждой стороны подшипника. |
| 625 2RS1 | Резиновые уплотнения с каждой стороны подшипника. |
| F625-2RS | Резиновые уплотнения с каждой стороны подшипника. |
| 625 2RSR | 2RSR = Резиновые уплотнения с каждой стороны подшипника. |
| FL625 ZZ | ZZ = Два металлических экрана. |
| S625-2RS | Резиновые уплотнения с каждой стороны подшипника. |
| SF625-2RS | Резиновые уплотнения с каждой стороны подшипника. |
| SS 625-ZZ | ZZ = Два металлических экрана. |
| E2.625-2Z | Energy Efficient bearings. 2Z = Металлические шайбы с каждой стороны подшипника. |
| W625-2RS1 | Резиновые уплотнения с каждой стороны подшипника. |
| 625 2Z.C3 | C3 = Радиальный внутренний зазор больше нормального. |
| 625/HR22T2 | R = Наружное кольцо с фланцем . |
| 625/HR11QN | Q = тихий ход работы подшипника. |
| 625-2RS C3 | 2RS = Резиновые пыле-влагозащитные уплотнения с каждой стороны подшипника. C3 = Внутренний Зазор Больше Обычного. |
| SS 625-2RS | Резиновые уплотнения с каждой стороны подшипника. |
| W 625 R-2Z | 2Z = Металлические шайбы с каждой стороны подшипника. |
| Техника | Модель | Агрегат |
|---|---|---|
| Трактор | Т-151К с двигателем СМД-62А-63А | Двигатель/рычаг основной регулятора насоса топливного |
| Трактор | Т-25А | Насос топливный/рычаг основной |
| Трактор | Т-40АМ | Система питания/насос топливораспределительный |
| Трактор | Т-40АНМ | Система питания/насос топливораспределительный |
| Трактор | Т-40М | Система питания/насос топливораспределительный |
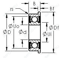
Габаритные размеры
Размеры и геометрические характеристики
Нагрузка и ресурс
Защита
Присоединительные размеры
Конструкция и исполнение
Прочие характеристики
Подшипник шариковый радиальный 6-25
Подшипник однорядный шариковый радиальный 6005 (FAG, NIS)
Подшипник шариковый радиальный однорядный с одной защитной шайбой 60025
Подшипник однорядный шариковый радиальный 6005 Z.C3 (FAG)
Подшипник однорядный шариковый радиальный 6005 2RS2.C3 (FAG)
Подшипник однорядный шариковый радиальный 6005 2RSH.C3 (FAG)