Главная > Подшипники> Шариковые> Радиальные>F5DD

F5DD — Подшипник однорядный шариковый радиальный, импортное производство по ISO стандарту, размер 7x17x6 номер основного исполнения .
Производитель: TIMKEN.
D = профиль наружного кольца, усовершенствованный, с увеличенной зоной несущей нагрузки и оптимизированными краевыми переходами.
Цена по запросу
Цена на подшипник зависит от:
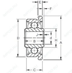
Габаритные размеры
Размеры и геометрические характеристики
Нагрузка и ресурс
Защита
Присоединительные размеры
Конструкция и исполнение
Другие размеры
Подшипник шариковый радиально-упорный 2-676077 ЮТП
Подшипник для корпуса B7 (INA, NACHI, ZEN)
Подшипник шариковый упорный однонаправленный F5 (TIMKEN)
Подшипник шариковый упорный однонаправленный BA7 (ISB, SKF)