Главная > Подшипники> Шариковые> Радиальные>F4

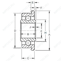
F4 — Подшипник однорядный шариковый радиальный, импортное производство по ISO стандарту, размер 6x15x6 номер основного исполнения .
Производитель: TIMKEN.
Цена по запросу
Цена на подшипник зависит от:
Габаритные размеры
Размеры и геометрические характеристики
Нагрузка и ресурс
Защита
Присоединительные размеры
Конструкция и исполнение
Другие размеры
Подшипник шариковый радиально-упорный 4-676076 ЮТ
Подшипник однорядный шариковый радиальный F4DD (TIMKEN)
Подшипник скольжения сферический SNA 6 (IKO)