Главная > Подшипники> Шариковые> Радиальные>F3DD

F3DD — Подшипник однорядный шариковый радиальный, импортное производство по ISO стандарту, размер 4x14x6 номер основного исполнения .
Производитель: TIMKEN.
D = профиль наружного кольца, усовершенствованный, с увеличенной зоной несущей нагрузки и оптимизированными краевыми переходами.
Цена по запросу
Цена на подшипник зависит от:
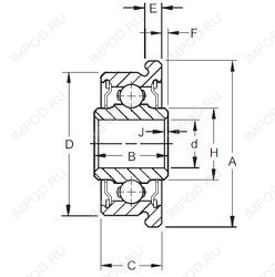
Габаритные размеры
Размеры и геометрические характеристики
Нагрузка и ресурс
Защита
Присоединительные размеры
Конструкция и исполнение
Другие размеры