Главная > Подшипники> Шариковые> Радиальные>F33KDD5

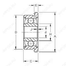
F33KDD5 — Подшипник однорядный шариковый радиальный, импортное производство по ISO стандарту, размер 4x12x4 номер основного исполнения .
Производитель: TIMKEN.
DD = резиновые уплотнения на каждой стороне подшипника.
Цена по запросу
Цена на подшипник зависит от:
Габаритные размеры
Размеры и геометрические характеристики
Нагрузка и ресурс
Защита
Присоединительные размеры
Конструкция и исполнение
Подшипник однорядный шариковый радиальный 604 (CX, FBJ, INA, ISB, ISO)
Подшипник однорядный шариковый радиальный 14
Подшипник шариковый радиальный 4-640014 К1П
Подшипник шариковый радиальный 5-640014 К
Подшипник шариковый радиальный 5-640014
Подшипник шариковый радиальный однорядный с одной защитной шайбой 60014