Главная > Подшипники> Шариковые> Радиальные>F33KDD3

F33KDD3 — Радиальный шарикоподшипник, импортное производство по ISO стандарту, размер 3x9x3 номер основного исполнения 33.
Производитель: TIMKEN.
DD = резиновые уплотнения на каждой стороне подшипника.
Цена по запросу
Цена на подшипник зависит от:
| Обозначение | Модификация |
|---|---|
| F33K3 | К = Коническая посадка, конусность 1:12. |
| A33K4 | К = Коническая посадка, конусность 1:12. |
| A33K3 | К = Коническая посадка, конусность 1:12. |
| A33KD3 | К = Коническая посадка, конусность 1:12. |
| A33KDD3 | DD = резиновые уплотнения на каждой стороне подшипника. |
| ARXJ33X57.7X5.8 | X = Внешние размеры, соответствующие международным стандартам. |
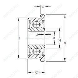
Габаритные размеры
Размеры и геометрические характеристики
Нагрузка и ресурс
Защита
Присоединительные размеры
Конструкция и исполнение
Подшипник шариковый радиальный однорядный 13 (ГПЗ-4)
Подшипник шариковый радиальный 4-640013 Ю1Т
Подшипник шариковый радиальный 4-640013
Подшипник шариковый радиальный 4-640013 ЮТ
Подшипник шариковый радиальный однорядный 5-13 (ГПЗ-4)
Подшипник шариковый радиальный 5-640013 К