Главная > Подшипники> Шариковые> Упорные>ESA 25 0755

ESA 25 0755 — Опорно-поворотный подшипник, импортное производство по ISO стандарту номер основного исполнения .
Производитель: SIGMA.
Цена по запросу
Цена на подшипник зависит от:
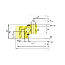
Габаритные размеры
Размеры и геометрические характеристики
Защита
Конструкция и исполнение
Другие размеры