Главная > Подшипники> Роликовые > Упорные>ER3.20.1800.400-1SPPN

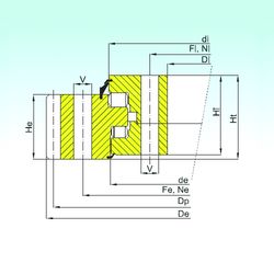
ER3.20.1800.400-1SPPN — Подшипник роликовый опорно-поворотный, импортное производство по ISO стандарту, размер 1653x2044x132 номер основного исполнения .
Производитель: ISB.
SP = Специальный класс точности для подшипников станков: точность размеров приблизительно до P5, точность хода приблизительно до P4.
Цена по запросу
Цена на подшипник зависит от:
Габаритные размеры
Размеры и геометрические характеристики
Защита
Конструкция и исполнение
Другие размеры