Главная > Подшипники> Роликовые > Упорные>ER1.20.0307.400-1SPPN

ER1.20.0307.400-1SPPN — Подшипник роликовый опорно-поворотный, импортное производство по ISO стандарту, размер 235x403x55 номер основного исполнения .
Производитель: ISB.
SP = Специальный класс точности для подшипников станков: точность размеров приблизительно до P5, точность хода приблизительно до P4.
Цена по запросу
Цена на подшипник зависит от:
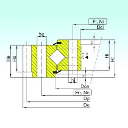
Габаритные размеры
Размеры и геометрические характеристики
Защита
Конструкция и исполнение
Другие размеры
Подшипник шариковый опорно-поворотный EB1.22.0308.200-1SPPN (ISB)
Подшипник шариковый опорно-поворотный NB1.22.0308.200-1PPN (ISB)