Главная > Подшипники> Роликовые > Упорные>ER1.14.0844.201-3STPN

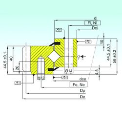
ER1.14.0844.201-3STPN — Подшипник роликовый опорно-поворотный, импортное производство по ISO стандарту, размер 774x950x56 номер основного исполнения .
Производитель: ISB.
T = Нейлоновая клетка, армированная стекловолокном (радиальные роликовые подшипники). P = Литой сепаратор из стеклонаполненного полиамида 6,6, центрируемый по телам качения.
Цена по запросу
Цена на подшипник зависит от:
Габаритные размеры
Размеры и геометрические характеристики
Защита
Конструкция и исполнение
Другие размеры