Главная > Подшипники> Шариковые> Упорные>ELA 20 0844

ELA 20 0844 — Опорно-поворотный подшипник, импортное производство по ISO стандарту номер основного исполнения .
Производитель: SIGMA.
Цена по запросу
Цена на подшипник зависит от:
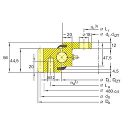
Габаритные размеры
Размеры и геометрические характеристики
Защита
Конструкция и исполнение
Другие размеры