Главная > Подшипники> Роликовые > Радиально-упорные>EE833161XD/833232+Y1S-833232

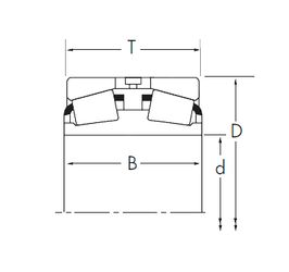
EE833161XD/833232+Y1S-833232 — Конический роликоподшипник, импортное производство по ISO стандарту, размер 406x590x193 номер основного исполнения .
Производитель: TIMKEN.
D = профиль наружного кольца, усовершенствованный, с увеличенной зоной несущей нагрузки и оптимизированными краевыми переходами.
Цена по запросу
Цена на подшипник зависит от:
Габаритные размеры
Размеры и геометрические характеристики
Защита
Конструкция и исполнение