Главная > Подшипники> Роликовые > Радиально-упорные>EE737179X/737262

EE737179X/737262 — Подшипник роликовый радиально-упорный, импортное производство по ISO стандарту, размер 456x660x92 номер основного исполнения .
Производитель: KOYO.
X = Внешние размеры, соответствующие международным стандартам.
Цена по запросу
Цена на подшипник зависит от:
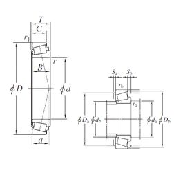
Габаритные размеры
Размеры и геометрические характеристики
Нагрузка и ресурс
Защита
Коэффициенты для расчета
Присоединительные размеры
Конструкция и исполнение