Главная > Подшипники> Роликовые > Радиально-упорные>EE724121D/724195+Y1S-724195

EE724121D/724195+Y1S-724195 — Конический роликоподшипник, импортное производство по ISO стандарту, размер 304x495x171 номер основного исполнения .
Производитель: TIMKEN.
D = профиль наружного кольца, усовершенствованный, с увеличенной зоной несущей нагрузки и оптимизированными краевыми переходами.
Цена по запросу
Цена на подшипник зависит от:
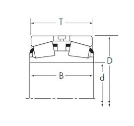
Габаритные размеры
Размеры и геометрические характеристики
Защита
Конструкция и исполнение