Главная > Подшипники> Роликовые > Радиально-упорные>EE470073/470132

EE470073/470132 — Подшипник роликовый радиально-упорный, импортное производство по ISO стандарту, размер 177x336x90 номер основного исполнения .
Производится брендами: KOYO, TIMKEN.
Цена по запросу
Цена на подшипник зависит от:
Габаритные размеры
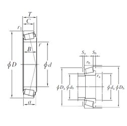
Размеры и геометрические характеристики
Нагрузка и ресурс
Защита
Коэффициенты для расчета
Присоединительные размеры
Конструкция и исполнение