Главная > Подшипники> Роликовые > Радиально-упорные>EE325296D/325420+Y1S-325420

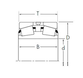
EE325296D/325420+Y1S-325420 — Конический роликоподшипник, импортное производство по ISO стандарту, размер 749x1066x361 номер основного исполнения .
Производитель: TIMKEN.
S3 = Кольца подшипника стабилизированы для рабочих температур до + 300 С
Цена по запросу
Цена на подшипник зависит от:
Габаритные размеры
Размеры и геометрические характеристики
Защита
Конструкция и исполнение