Главная > Подшипники> Роликовые > Радиально-упорные>EE321145/321240

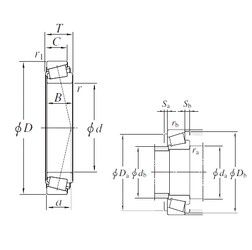
EE321145/321240 — Подшипник роликовый радиально-упорный, импортное производство по ISO стандарту, размер 368x609x142 номер основного исполнения .
Производитель: KOYO.
Цена по запросу
Цена на подшипник зависит от:
Габаритные размеры
Размеры и геометрические характеристики
Нагрузка и ресурс
Защита
Коэффициенты для расчета
Присоединительные размеры
Конструкция и исполнение
Цилиндрический роликоподшипник EE321145-N1/321240-N (NSK)
Конический роликоподшипник EE321145/321240A (NTN)