Главная > Подшипники> Роликовые > Радиально-упорные>EE280700D/281200+Y1S-281200

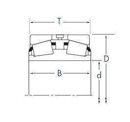
EE280700D/281200+Y1S-281200 — Конический роликоподшипник, импортное производство по ISO стандарту, размер 177x304x109 номер основного исполнения .
Производитель: TIMKEN.
S2 = Кольца подшипника стабилизированы для рабочих температур до + 250 С.
Цена по запросу
Цена на подшипник зависит от:
Габаритные размеры
Размеры и геометрические характеристики
Защита
Конструкция и исполнение