Главная > Подшипники> Роликовые > Радиально-упорные>EE239170/239225A

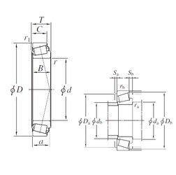
EE239170/239225A — Однорядный конический роликовый подшипник, импортное производство по ISO стандарту, размер 431x571x76 номер основного исполнения .
Производитель: KOYO.
A = внутренняя модификация конструкции.
Цена по запросу
Цена на подшипник зависит от:
Габаритные размеры
Размеры и геометрические характеристики
Нагрузка и ресурс
Защита
Коэффициенты для расчета
Присоединительные размеры
Конструкция и исполнение