Главная > Подшипники> Роликовые > Радиально-упорные>EE234157D/234220+Y1S-234220

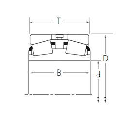
EE234157D/234220+Y1S-234220 — Конический роликоподшипник, импортное производство по ISO стандарту, размер 393x558x119 номер основного исполнения .
Производитель: TIMKEN.
S2 = Кольца подшипника стабилизированы для рабочих температур до + 250 С.
Цена по запросу
Цена на подшипник зависит от:
Габаритные размеры
Размеры и геометрические характеристики
Защита
Конструкция и исполнение