Главная > Подшипники> Роликовые > Радиально-упорные>EE234157D/234215

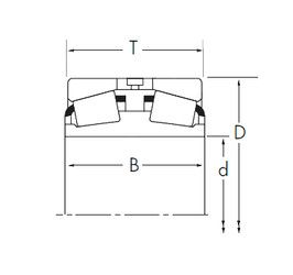
EE234157D/234215 — Конический роликоподшипник, импортное производство по ISO стандарту, размер 393x546x141 номер основного исполнения .
Производитель: TIMKEN.
D = профиль наружного кольца, усовершенствованный, с увеличенной зоной несущей нагрузки и оптимизированными краевыми переходами.
Цена по запросу
Цена на подшипник зависит от:
Габаритные размеры
Размеры и геометрические характеристики
Защита
Конструкция и исполнение