Главная > Подшипники> Роликовые > Радиально-упорные>EE171000D/171400+Y1S-171400

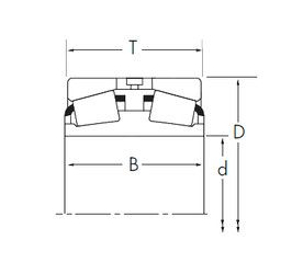
EE171000D/171400+Y1S-171400 — Конический роликоподшипник, импортное производство по ISO стандарту, размер 254x355x92 номер основного исполнения .
Производитель: TIMKEN.
D1 = (Смазка сегмента, код W33) = Смазочная канавка и три отверстия в наружном кольце подшипника. Начиная с = D320 Суффикс D1 не используется.
Цена по запросу
Цена на подшипник зависит от:
Габаритные размеры
Размеры и геометрические характеристики
Защита
Конструкция и исполнение