Главная > Подшипники> Шариковые> Упорные>EBL.30.1055.200-1STPN

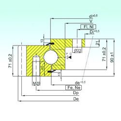
EBL.30.1055.200-1STPN — Подшипник шариковый опорно-поворотный, импортное производство по ISO стандарту, размер 905x1198x90 номер основного исполнения .
Производитель: ISB.
T = Нейлоновая клетка, армированная стекловолокном (радиальные роликовые подшипники). P = Литой сепаратор из стеклонаполненного полиамида 6,6, центрируемый по телам качения.
Цена по запросу
Цена на подшипник зависит от:
Габаритные размеры
Размеры и геометрические характеристики
Защита
Конструкция и исполнение
Другие размеры