Главная > Подшипники> Шариковые> Упорные>EB2.22.0307.200-1SPPN

EB2.22.0307.200-1SPPN — Подшипник шариковый опорно-поворотный, импортное производство по ISO стандарту, размер 224x432x92 номер основного исполнения .
Производитель: ISB.
SP = Специальный класс точности для подшипников станков: точность размеров приблизительно до P5, точность хода приблизительно до P4.
Цена по запросу
Цена на подшипник зависит от:
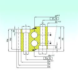
Габаритные размеры
Размеры и геометрические характеристики
Защита
Конструкция и исполнение
Другие размеры