Главная > Подшипники> Роликовые > Радиально-упорные>E33124J

E33124J — Конический роликоподшипник, импортное производство по ISO стандарту, размер 120x200x62 номер основного исполнения 33124.
Производитель: NACHI.
J = Сепаратор стальной штампованный незакалённый.
Цена по запросу
Цена на подшипник зависит от:
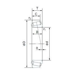
Габаритные размеры
Размеры и геометрические характеристики
Нагрузка и ресурс
Защита
Коэффициенты для расчета
Присоединительные размеры
Конструкция и исполнение
Подшипник роликовый сферический 23124 (FBJ, ISB, SKF)
Подшипник роликовый радиально-упорный 46324 (KOYO)
Подшипник роликовый сферический 23124 K.M.C3.W33 (SKF)
Подшипник роликовый сферический 23124 E1A.M.C3 (SKF)
Подшипник роликовый самоустанавливающийся 23124 E1A.K.M (FAG, SKF)