Главная > Подшипники> Роликовые > Радиально-упорные>E33120J

E33120J — Конический роликоподшипник, импортное производство по ISO стандарту, размер 100x165x52 номер основного исполнения 33120.
Производитель: NACHI.
J = Сепаратор стальной штампованный незакалённый.
Цена по запросу
Цена на подшипник зависит от:
Габаритные размеры
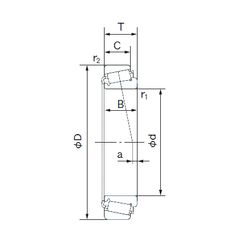
Размеры и геометрические характеристики
Нагрузка и ресурс
Защита
Коэффициенты для расчета
Присоединительные размеры
Конструкция и исполнение
Подшипник роликовый сферический 23120 (FBJ, ISB, SKF)
Подшипник роликовый радиально-упорный 46320 (KOYO)
Подшипник роликовый сферический 23120 CC.C3W33 (SKF)
Подшипник роликовый сферический 23120 E1A.M.C3 (SKF)
Подшипник роликовый сферический 23120 E1A.M (FAG, SKF)
Подшипник роликовый сферический 23120 E1A.K.M.C3 (SKF)