Главная > Подшипники> Роликовые > Радиально-упорные>E33119J

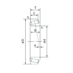
E33119J — Конический роликоподшипник, импортное производство по ISO стандарту, размер 95x160x49 номер основного исполнения 33119.
Производитель: NACHI.
J = Сепаратор стальной штампованный незакалённый.
Цена по запросу
Цена на подшипник зависит от:
Габаритные размеры
Размеры и геометрические характеристики
Нагрузка и ресурс
Защита
Коэффициенты для расчета
Присоединительные размеры
Конструкция и исполнение