Главная > Подшипники> Роликовые > Радиально-упорные>E32917J

E32917J — Конический роликоподшипник, импортное производство по ISO стандарту, размер 85x120x23 номер основного исполнения 32917.
Производитель: NACHI.
J = Сепаратор стальной штампованный незакалённый.
Цена по запросу
Цена на подшипник зависит от:
| Обозначение | Модификация |
|---|---|
| 32917 | Основное конструктивное исполнение. |
| 32917X | X = Внешние размеры, соответствующие международным стандартам. |
| 32917XU | X = Внешние размеры, соответствующие международным стандартам. |
| 32917JR | R = Наружное кольцо с фланцем . |
| 32917 A | A = внутренняя модификация конструкции. |
| HR32917J | J = Сепаратор стальной штампованный незакалённый. |
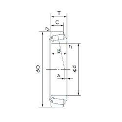
Габаритные размеры
Размеры и геометрические характеристики
Нагрузка и ресурс
Защита
Коэффициенты для расчета
Присоединительные размеры
Конструкция и исполнение