Главная > Подшипники> Роликовые > Радиально-упорные>E32912J

E32912J — Конический роликоподшипник, импортное производство по ISO стандарту, размер 60x85x17 номер основного исполнения 32912.
Производитель: NACHI.
J = Сепаратор стальной штампованный незакалённый.
Цена по запросу
Цена на подшипник зависит от:
| Обозначение | Модификация |
|---|---|
| 32912 | Основное конструктивное исполнение. |
| 32912X | X = Внешние размеры, соответствующие международным стандартам. |
| 32912XA | A = внутренняя модификация конструкции. |
| 32912JR | R = Наружное кольцо с фланцем . |
| 32912 A | A = внутренняя модификация конструкции. |
| HR32912J | J = Сепаратор стальной штампованный незакалённый. |
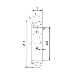
Габаритные размеры
Размеры и геометрические характеристики
Нагрузка и ресурс
Защита
Коэффициенты для расчета
Присоединительные размеры
Конструкция и исполнение
Подшипник шариковый упорный однонаправленный 51112 (AST, CRAFT, CX, FAG, FBJ)
Роликовый цилиндрический упорный подшипник 81112 (CX, INA, ISO, NIS, NTN)
Подшипник упорный шариковый одинарный 2-8112 (ГПЗ-2)
Подшипник упорный шариковый одинарный 4-8112 (ГПЗ-2)
Подшипник упорный шариковый одинарный 5-8112 (ГПЗ-2)
Подшипник упорный шариковый одинарный 6-8112 (ГПЗ-2)