Главная > Подшипники> Роликовые > Радиально-упорные>E32211J

E32211J — Однорядный конический роликовый подшипник, импортное производство по ISO стандарту, размер 55x100x26 номер основного исполнения 32211.
Производитель: NACHI.
J = Сепаратор стальной штампованный незакалённый.
Цена от:944 р.
Цена на подшипник зависит от:
| Обозначение | Модификация |
|---|---|
| 32211 | Основное конструктивное исполнение. |
| 32211J | J = Сепаратор стальной штампованный незакалённый. |
| 32211F | Механически обработанный сепаратор из стали или чугуна, центрируемый по телам качения. |
| 32211CR | Однорядные радиальные роликоподшипники |
| 432211U | |
| 32211-A | A = внутренняя модификация конструкции. |
| 4T-32211 | |
| HR32211J | J = Сепаратор стальной штампованный незакалённый. |
| 32211 AQ | Q = тихий ход работы подшипника. |
| 32211 J2 | J = Сепаратор стальной штампованный незакалённый. |
| 32211-XL | X = Внешние размеры, соответствующие международным стандартам. L = массивный сепаратор из лёгкого сплава. |
| 32211JR-1 | R = Наружное кольцо с фланцем . |
| 32211 J2/Q | Q = тихий ход работы подшипника. |
| X10D.32211.C | С = Необслуживаемые концы стержней, внутренняя резьба. |
| 7511 (32211) | |
| X32211/Y32211 | Y = Штампованный латунный сепаратор, центрируемый по телам качения. |
| X32211M/Y32211M | Y = Штампованный латунный сепаратор, центрируемый по телам качения. |
| X32211M/Y32211RM | R = Наружное кольцо с фланцем . |
| 46T32211JR-1/48.5 | R = Наружное кольцо с фланцем . |
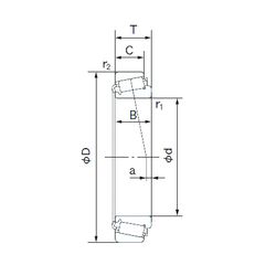
Габаритные размеры
Размеры и геометрические характеристики
Нагрузка и ресурс
Защита
Коэффициенты для расчета
Присоединительные размеры
Конструкция и исполнение
Подшипник роликовый радиальный с короткими роликами 3222211
Подшипник роликовый радиально-упорный конический 5-7511 А1 (ГПЗ-9)
Подшипник роликовый радиально-упорный 5-7511 (ГПЗ-9)
Подшипник роликовый радиально-упорный конический 5-7511 А (ГПЗ-9)
Подшипник роликовый радиально-упорный 5-7511 А3 (ГПЗ-9)
Подшипник роликовый радиально-упорный 5-7511 АК3 (ГПЗ-9)