Главная > Подшипники> Шариковые> Радиально-упорные>E 280 /NS 7CE3

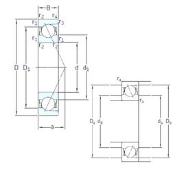
E 280 /NS 7CE3 — Радиально-упорный шарикоподшипник, импортное производство по ISO стандарту, размер 80x140x26 номер основного исполнения .
Производитель: SNFA.
Energy Efficient bearings.
S = смазочный паз и три отверстия в наружном кольце подшипника.
Цена по запросу
Цена на подшипник зависит от:
Габаритные размеры
Размеры и геометрические характеристики
Нагрузка и ресурс
Защита
Присоединительные размеры
Конструкция и исполнение
Однорядный цилиндрический роликовый подшипник NJ216 (CRAFT, FAG, FBJ, ISB, ISO)
Однорядный цилиндрический роликовый подшипник NU216 (CRAFT, FBJ, IBC, ISB, ISO)
Подшипник шариковый радиальный 6-216 (ГПЗ-3)
Подшипник роликовый радиально-упорный 32216 (ГПЗ-4)
Подшипник шариковый радиальный 4-216 (ГПЗ-3)