Главная > Подшипники> Шариковые> Радиально-упорные>E 280 7CE1

E 280 7CE1 — Подшипник шариковый однорядный радиально-упорный, импортное производство по ISO стандарту, размер 80x140x26 номер основного исполнения .
Производитель: SNFA.
Energy Efficient bearings.
С = фенольная смола. E = Расположение внешнего сепаратора. 1 = CD (SKF) = 15 градусов угол контакта.
Цена по запросу
Цена на подшипник зависит от:
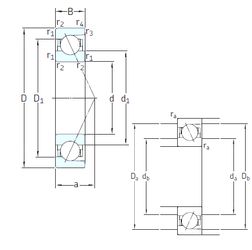
Габаритные размеры
Размеры и геометрические характеристики
Нагрузка и ресурс
Защита
Коэффициенты для расчета
Присоединительные размеры
Конструкция и исполнение
Однорядный цилиндрический роликовый подшипник NJ216 (CRAFT, FAG, FBJ, ISB, ISO)
Однорядный цилиндрический роликовый подшипник NU216 (CRAFT, FBJ, IBC, ISB, ISO)
Подшипник шариковый радиальный 6-216 (ГПЗ-3)
Подшипник роликовый радиально-упорный 32216 (ГПЗ-4)
Подшипник шариковый радиальный 4-216 (ГПЗ-3)