Главная > Подшипники> Шариковые> Радиально-упорные>E 265 7CE1

E 265 7CE1 — Радиально-упорный шарикоподшипник, импортное производство по ISO стандарту, размер 65x120x23 номер основного исполнения .
Производитель: SNFA.
Energy Efficient bearings.
С = фенольная смола. E = Расположение внешнего сепаратора. 1 = CD (SKF) = 15 градусов угол контакта.
Цена по запросу
Цена на подшипник зависит от:
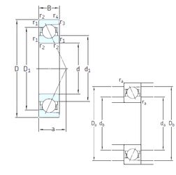
Габаритные размеры
Размеры и геометрические характеристики
Нагрузка и ресурс
Защита
Коэффициенты для расчета
Присоединительные размеры
Конструкция и исполнение
Однорядный цилиндрический роликовый подшипник NJ213 (CRAFT, FBJ, ISB, ISO, KOYO)
Однорядный цилиндрический роликовый подшипник NU213 (CRAFT, FAG, FBJ, ISB, ISO)
Подшипник шариковый радиальный 6-213 (ГПЗ-3)
Подшипник шариковый радиальный сферический двухрядный с цилиндрическим отверстием внутреннего кольца 5-1213 (ГПЗ-2)
Подшипник роликовый сферический 20213 (FAG, ISO)
Подшипник шариковый радиальный сферический двухрядный с цилиндрическим отверстием внутреннего кольца 1213