Главная > Подшипники> Шариковые> Радиально-упорные>E 255 7CE3

E 255 7CE3 — Радиально-упорный шарикоподшипник, импортное производство по ISO стандарту, размер 55x100x21 номер основного исполнения .
Производитель: SNFA.
Energy Efficient bearings.
С = Необслуживаемые концы стержней, внутренняя резьба.
Цена по запросу
Цена на подшипник зависит от:
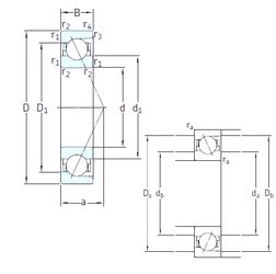
Габаритные размеры
Размеры и геометрические характеристики
Нагрузка и ресурс
Защита
Присоединительные размеры
Конструкция и исполнение
Однорядный цилиндрический роликовый подшипник NU211 (CRAFT, FAG, FBJ, ISB, ISO)
Подшипник шариковый радиальный 6-211 (ГПЗ-3)
Подшипник шариковый радиальный 4-211 (ГПЗ-3)
Подшипник роликовый сферический 20211 (FAG, ISO)
однорядный радиальный шарикоподшипник с пазом для ввода шариков 211
Подшипник шариковый радиальный сферический двухрядный с цилиндрическим отверстием внутреннего кольца 1211