Главная > Подшипники> Шариковые> Радиально-упорные>E 220 7CE1

E 220 7CE1 — Радиально-упорный шарикоподшипник, импортное производство по ISO стандарту, размер 20x47x14 номер основного исполнения .
Производитель: SNFA.
Energy Efficient bearings.
С = фенольная смола. E = Расположение внешнего сепаратора. 1 = CD (SKF) = 15 градусов угол контакта.
Цена от:3 287 р.
Цена на подшипник зависит от:
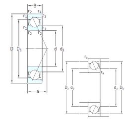
Габаритные размеры
Размеры и геометрические характеристики
Нагрузка и ресурс
Защита
Коэффициенты для расчета
Присоединительные размеры
Конструкция и исполнение
Однорядный цилиндрический роликовый подшипник NJ204 (CRAFT, FAG, FBJ, ISB, ISO)
Однорядный цилиндрический роликовый подшипник NU204 (CRAFT, FBJ, ISB, ISO, KOYO)
Подшипник шариковый радиально-упорный QJ204 (CX, ISO, NKE)
Подшипник шариковый радиально-упорный однорядный разъемный со съемным наружным кольцом с углом контакта 12 6204 (ГПЗ-11)
Подшипник шариковый радиальный 4-204 (ГПЗ-4)