Главная > Подшипники> Шариковые> Радиально-упорные>E 215 /NS 7CE1

E 215 /NS 7CE1 — Радиально-упорный шарикоподшипник, импортное производство по ISO стандарту, размер 15x35x11 номер основного исполнения .
Производитель: SNFA.
Energy Efficient bearings.
С = фенольная смола. E = Расположение внешнего сепаратора. 1 = CD (SKF) = 15 градусов угол контакта.
Цена от:5 345 р.
Цена на подшипник зависит от:
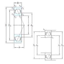
Габаритные размеры
Размеры и геометрические характеристики
Нагрузка и ресурс
Защита
Коэффициенты для расчета
Присоединительные размеры
Конструкция и исполнение
Однорядный цилиндрический роликовый подшипник NJ202 (CYSD, FAG, ISB, ISO, NIS)
Однорядный цилиндрический роликовый подшипник NU202 (CYSD, ISB, ISO, NIS, NKE)
Подшипник шариковый радиальный 6-202
Подшипник шариковый радиальный сферический двухрядный с цилиндрическим отверстием внутреннего кольца 5-1202 (ГПЗ-2)
Подшипник шариковый радиальный двухрядный 4-202