Главная > Подшипники> Шариковые> Радиально-упорные>E 209 /NS 7CE3

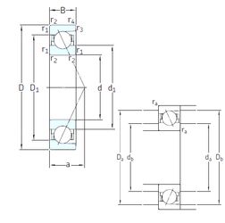
E 209 /NS 7CE3 — Радиально-упорный шарикоподшипник, импортное производство по ISO стандарту, размер 9x26x8 номер основного исполнения .
Производитель: SNFA.
Energy Efficient bearings.
S = смазочный паз и три отверстия в наружном кольце подшипника.
Цена от:413 р.
Цена на подшипник зависит от:
Габаритные размеры
Размеры и геометрические характеристики
Нагрузка и ресурс
Защита
Присоединительные размеры
Конструкция и исполнение
Подшипник шариковый радиальный сферический двухрядный с цилиндрическим отверстием внутреннего кольца 1009 (ГПЗ-2)
Подшипник шариковый радиальный однорядный с односторонним уплотнением 160029
Подшипник шариковый радиальный однорядный с двухсторонним уплотнением 180029
Подшипник шариковый радиальный однорядный 25-29 ГУ
Подшипник шариковый радиальный однорядный с двумя защитными шайбами 25-80029 Ю1С7
Подшипник шариковый радиальный 25-80029 С1