Главная > Подшипники> Шариковые> Радиально-упорные>E 209 7CE1

E 209 7CE1 — Подшипник шариковый однорядный радиально-упорный, импортное производство по ISO стандарту, размер 9x26x8 номер основного исполнения .
Производитель: SNFA.
Energy Efficient bearings.
С = фенольная смола. E = Расположение внешнего сепаратора. 1 = CD (SKF) = 15 градусов угол контакта.
Цена по запросу
Цена на подшипник зависит от:
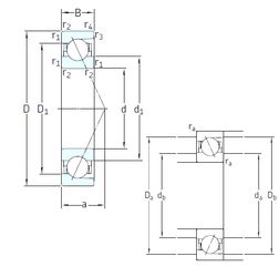
Габаритные размеры
Размеры и геометрические характеристики
Нагрузка и ресурс
Защита
Коэффициенты для расчета
Присоединительные размеры
Конструкция и исполнение
Подшипник шариковый радиальный сферический двухрядный с цилиндрическим отверстием внутреннего кольца 1009 (ГПЗ-2)
Подшипник шариковый радиальный однорядный с односторонним уплотнением 160029
Подшипник шариковый радиальный однорядный с двухсторонним уплотнением 180029
Подшипник шариковый радиальный однорядный 25-29 ГУ
Подшипник шариковый радиальный однорядный с двумя защитными шайбами 25-80029 Ю1С7
Подшипник шариковый радиальный 25-80029 С1