Главная > Подшипники> Шариковые> Радиально-упорные>E 208 /NS 7CE1

E 208 /NS 7CE1 — Радиально-упорный шарикоподшипник, импортное производство по ISO стандарту, размер 8x24x8 номер основного исполнения .
Производитель: SNFA.
Energy Efficient bearings.
С = фенольная смола. E = Расположение внешнего сепаратора. 1 = CD (SKF) = 15 градусов угол контакта.
Цена от:159 р.
Цена на подшипник зависит от:
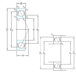
Габаритные размеры
Размеры и геометрические характеристики
Нагрузка и ресурс
Защита
Коэффициенты для расчета
Присоединительные размеры
Конструкция и исполнение
Подшипник однорядный шариковый радиальный 628 (CRAFT, CX, FBJ, Fersa, ISB)
Подшипник однорядный шариковый радиальный 628.6 2RS1 (SKF)
Подшипник однорядный шариковый радиальный 628 2Z.C3 (SKF)
Подшипник шариковый радиальный однорядный с односторонним уплотнением 160028