Главная > Подшипники> Шариковые> Радиально-упорные>E 207 /NS 7CE1

E 207 /NS 7CE1 — Радиально-упорный шарикоподшипник, импортное производство по ISO стандарту, размер 7x22x7 номер основного исполнения .
Производитель: SNFA.
Energy Efficient bearings.
С = фенольная смола. E = Расположение внешнего сепаратора. 1 = CD (SKF) = 15 градусов угол контакта.
Цена от:277 р.
Цена на подшипник зависит от:
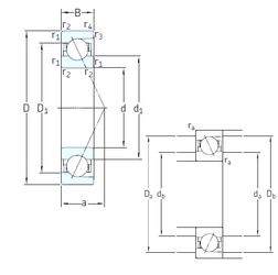
Габаритные размеры
Размеры и геометрические характеристики
Нагрузка и ресурс
Защита
Коэффициенты для расчета
Присоединительные размеры
Конструкция и исполнение
Подшипник шариковый двухрядный самоустанавливающийся 127 (CX, ISO, KOYO, NIS, NSK)
Подшипник шариковый радиальный 6-27 (ГПЗ-4)
Подшипник шариковый радиальный однорядный с одной защитной шайбой 60027
Подшипник шариковый радиально-сферический 127 TVH (FAG, SKF)
Подшипник однорядный шариковый радиальный 627 C3 (SKF)