Главная > Подшипники> Шариковые> Радиально-упорные>E 200/140 7CE1

E 200/140 7CE1 — Радиально-упорный шарикоподшипник, импортное производство по ISO стандарту, размер 140x250x42 номер основного исполнения .
Производитель: SNFA.
Energy Efficient bearings.
С = фенольная смола. E = Расположение внешнего сепаратора. 1 = CD (SKF) = 15 градусов угол контакта.
Цена по запросу
Цена на подшипник зависит от:
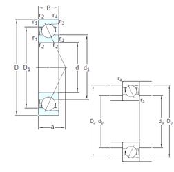
Габаритные размеры
Размеры и геометрические характеристики
Нагрузка и ресурс
Защита
Коэффициенты для расчета
Присоединительные размеры
Конструкция и исполнение
Однорядный цилиндрический роликовый подшипник NJ228 (CRAFT, CYSD, FAG, ISB, ISO)
Однорядный цилиндрический роликовый подшипник NU228 (CRAFT, CYSD, FAG, ISB, ISO)
Подшипник шариковый однорядный радиально-упорный 7228 (CYSD, KOYO, NACHI, NSK, NTN)
Подшипник однорядный шариковый радиальный 6-228 (CRAFT, CX, CYSD, FAG, ISB)
Подшипник роликовый радиальный самоцентрирующийся 20228 (FAG, ISO)