Главная > Подшипники> Шариковые> Радиально-упорные>E 200/130 7CE3

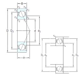
E 200/130 7CE3 — Радиально-упорный шарикоподшипник, импортное производство по ISO стандарту, размер 130x230x40 номер основного исполнения .
Производитель: SNFA.
Energy Efficient bearings.
С = Необслуживаемые концы стержней, внутренняя резьба.
Цена по запросу
Цена на подшипник зависит от:
Габаритные размеры
Размеры и геометрические характеристики
Нагрузка и ресурс
Защита
Присоединительные размеры
Конструкция и исполнение
Однорядный цилиндрический роликовый подшипник NJ226 (CRAFT, CYSD, FAG, ISB, ISO)
Однорядный цилиндрический роликовый подшипник NU226 (CRAFT, CYSD, FAG, ISB, ISO)
Подшипник шариковый однорядный радиально-упорный 7226 (CYSD, KOYO, NACHI, NSK, NTN)
Подшипник шариковый радиальный 6-226
Подшипник роликовый радиальный самоцентрирующийся 20226 (FAG, ISO)