Главная > Подшипники> Шариковые> Радиально-упорные>E 200/120 7CE1

E 200/120 7CE1 — Радиально-упорный шарикоподшипник, импортное производство по ISO стандарту, размер 120x215x40 номер основного исполнения .
Производитель: SNFA.
Energy Efficient bearings.
С = фенольная смола. E = Расположение внешнего сепаратора. 1 = CD (SKF) = 15 градусов угол контакта.
Цена по запросу
Цена на подшипник зависит от:
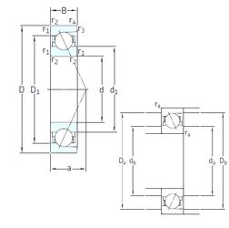
Габаритные размеры
Размеры и геометрические характеристики
Нагрузка и ресурс
Защита
Коэффициенты для расчета
Присоединительные размеры
Конструкция и исполнение
Однорядный цилиндрический роликовый подшипник NJ224 (CRAFT, FAG, ISB, ISO, KOYO)
Однорядный цилиндрический роликовый подшипник NU224 (CRAFT, FAG, ISB, ISO, KOYO)
Подшипник шариковый радиальный 6-224 (ГПЗ-3)
Подшипник роликовый радиально-упорный 32224
Подшипник роликовый радиальный самоцентрирующийся 20224 (FAG, ISO)
Подшипник шариковый радиальный 8224 (ГПЗ-3)