Главная > Подшипники> Шариковые> Радиально-упорные>E 200/110 7CE1

E 200/110 7CE1 — Радиально-упорный шарикоподшипник, импортное производство по ISO стандарту, размер 110x200x38 номер основного исполнения .
Производитель: SNFA.
Energy Efficient bearings.
С = фенольная смола. E = Расположение внешнего сепаратора. 1 = CD (SKF) = 15 градусов угол контакта.
Цена по запросу
Цена на подшипник зависит от:
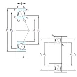
Габаритные размеры
Размеры и геометрические характеристики
Нагрузка и ресурс
Защита
Коэффициенты для расчета
Присоединительные размеры
Конструкция и исполнение
Однорядный цилиндрический роликовый подшипник NJ222 (CRAFT, FAG, ISB, ISO, KOYO)
Однорядный цилиндрический роликовый подшипник NU222 (CRAFT, FAG, ISB, ISO, KOYO)
Подшипник роликовый сферический 20222 (FAG, ISO)
Подшипник шариковый двухрядный самоустанавливающийся 1222 (AST, CX, FAG, ISB, ISO)
Подшипник шариковый радиальный сферический двухрядный с коническим отверстием внутреннего кольца 111222 (ГПЗ-1)