Главная > Подшипники> Шариковые> Упорные>DKLFA1575-2RS

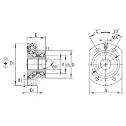
DKLFA1575-2RS — Осевой радиально-упорный шарикоподшипник, импортное производство по ISO стандарту, размер 15x45x32 номер основного исполнения .
Производитель: INA.
Резиновые уплотнения с каждой стороны подшипника.
Цена по запросу
Цена на подшипник зависит от:
Габаритные размеры
Размеры и геометрические характеристики
Защита
Присоединительные размеры
Конструкция и исполнение