Главная > Подшипники> Шариковые> Радиальные>CSXG140

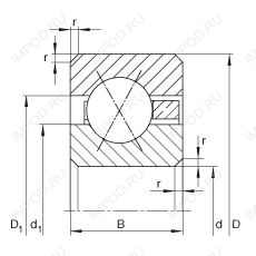
CSXG140 — Подшипник шариковый радиальный с тонким кольцом, импортное производство по ISO стандарту, размер 355x406x25 основное исполнение.
Производитель: INA.
G = Однорядный радиально-упорный шарикоподшипник для универсального парного монтажа. Два подшипника, установленные по 0-образной или Х-образной схеме, будут иметь определенный осевой зазор в домонтажном состоянии.
Цена по запросу
Цена на подшипник зависит от:
Габаритные размеры
Размеры и геометрические характеристики
Нагрузка и ресурс
Подшипник шариковый радиальный с тонким кольцом CSCG140 (INA)
Радиальный шарикоподшипник KGC140 (KOYO)
Радиально-упорный шарикоподшипник KGX140 (KOYO)
Радиально-упорный шарикоподшипник KGA140 (KOYO)
Радиально-упорный шарикоподшипник KXG140 (NTN)